NEW PRODUCTS
Hettich by Rocheleau
LOOP
Kombi 2.0 waste bin
BV2.0 wardrobe storing solutions
Signature Divider
LED Lighting
CAREER
CONTACT US
Partners
About us
Who are we?
Mission, vision and values
Sales and terms conditions
Warranty and liability
FR
Whole site
Decorative hardware
Everyday products
Functional hardware
Materials
Search
Sign in
Email
Password
Forgot your password ?
Remember me
Sign in
Categories
Decorative hardware
Everyday products
Functional hardware
Materials
Select another category
Decorative hardware
Decorative furniture legs
Door stopper
Finger profile
Hooks / pegs
Knobs and handles
Presentation supports
Wall accessories
Display storage system
Modular concept
Open Shelving System
Select another category
Everyday products
Cleaner / Lubricants
Drawer assembly tools
Drilling machines
Furniture hardware
Cabinet levellers
Door bumpers
Door straighteners
Hanging systems
Push-to-Open Devices
Shelf supports
Tack glides / Levellers
Ventilation grids
Wall panels assembly
Glue / Sealant / Reparation
Hot melt adhesive
Repair products
Solid surface bonder
Structural adhesive
Substrat bonder
Jigs
Mounting and fixing
Assembly hardware
Corner brackets
Dowels
Euro screws
Machine screws
Nuts and inserts
Other assemblies
Screw covers
Wood screws
Wooden biscuits
Packaging
Tooling
Select another category
Functional hardware
Bathroom and laundry room planning
Ironing boards
Laundry hamper systems
Siphon covers
Utility grommets
Door opening systems
Bi-fold door systems
Drop down flap door systems
Flap door systems
Horizontal doors
Parallel drop down door systems
Parallel lift-up door system
Retractable lift door
Drawer systems
Custom made drawers
GRASS Nova Pro
GRASS Vionaro
HETTICH AvanTech YOU
HETTICH InnoTech Atira
ROCHELEAU Linea
ROCHELEAU R13 EVO
Furniture locks
Hinge systems
Drop down hinges
Face-frame hinges
Glass door hinges
GRASS Tiomos hinges
HETTICH Sensys / Intermat hinges
HETTICH Veosys hinges
LAMP recessed hinges
Piano hinges
ROCHELEAU 832 series hinges
SALICE Air hinges
SALICE Silentia + hinges
SUGATSUNE Lamp hinges
Kitchen planning
Cabinet accessories
Corner cabinet storage systems
Drawer dividers
Pantry cabinet pull-outs
Pull-out systems
Recessed waste trap
Tip-out trays
Upper cabinet storage
Waste management
Waterstop and anti-slip liners
Lighting
Office hardware
Hanging files
Removable shelf supports
Swivels
Wire management
Presentation supports
Slides
Ball bearing slides
Drawer slide accessories
Undermount slides
Sliding door systems
Folding door systems
Lateral opening door systems
Pocket door systems
Sliding doors
Wall bed system
Wardrobe and closet accessories
Aluminum modular structures
Closet rods and supports
Pull out storage solutions
Select another category
Materials
Acrylic mirror panels
Custom doors and facades
Decorative wood components
Appliques
Capitals
Corbels and decorative brackets
Corner posts
Decorative posts
Decorative posts
Inlays
Mantles
Mouldings
Pilasters
Rosettes
Edgebanding
Flexible tambour panels
Laminated panels
Laminates
Meganite solid surfaces
Presentation supports
Custom doors and facades
edge banding
Flexible tambour panels
Laminates
Meganite solide surfaces
Solid wood components
Surfaces HPL Carbon
Solid wood components
Home
Functional hardware
Slides
Undermount slides
Back to category
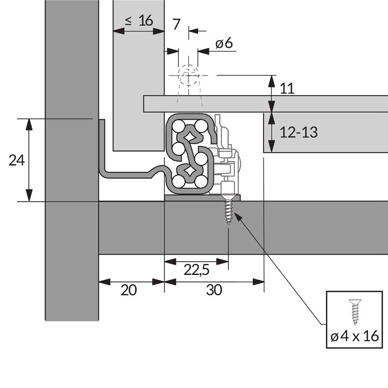
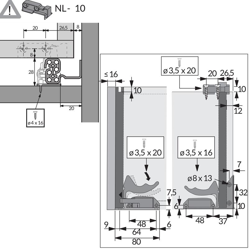
Clip arrière quadro BM
Product code:
ATT-HQV6BM